Product Summary
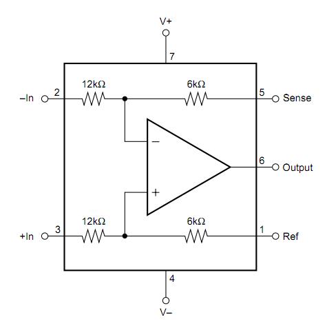
The INA157UA is a high slew rate, G = 1/2 or G = 2 difference amplifier consisting of a precision op amp with a precision resistor network. The on-chip resistors are laser trimmed for accurate gain and high common-mode rejection. Excellent TCR tracking of the resistors maintains gain accuracy and common-mode rejection over temperature. The input common-mode voltage range extends beyond the positive and negative supply rails. It operates on ±4V to ±18V supplies. The applications of the INA157UA are (1)differential input amplifier; (2)instrumentation amplifier building block; (3)g = 1/2 amplifier; (4)g = 2 amplifier; (5)differential current receiver; (6)voltage-controlled current source; (7)ground loop eliminator; (8)current shunt monitor.
Parametrics
INA157UA absolute maximum ratings: (1)Supply Voltage, V+ to V–: 40V; (2)Input Voltage Range: ±80V; (3)Output Short Circuit (to ground): Continuous; (4)Operating Temperature: –55 to +125℃; (5)Storage Temperature: –55 to +125℃; (6)Junction Temperature: +150℃; (7)Lead Temperature (soldering, 10s): +300℃.
Features
INA157UA features: (1)designed for low cost; (2)low offset voltage: ±500μv max; (3)low offset drift: ±2μV/℃; (4)low gain error: ±0.05% max; (5)wide bandwidth: 3MHz; (6)high slew rate: 14v/μs; (7)fast settling time: 3μs to 0.01%; (8)wide supply range: ±4V to ±18V; (9)low quiescent current: 2.4mA; (10)SO-8 surface-mount package.
Diagrams

| Image | Part No | Mfg | Description | ![]() |
Pricing (USD) |
Quantity | ||||||||||||
|---|---|---|---|---|---|---|---|---|---|---|---|---|---|---|---|---|---|---|
![]() |
![]() INA157UA |
![]() Texas Instruments |
![]() Differential Amplifiers High-Speed Precision |
![]() Data Sheet |
![]()
|
|
||||||||||||
![]() |
![]() INA157UA/2K5 |
![]() Texas Instruments |
![]() Differential Amplifiers High-Speed Precision |
![]() Data Sheet |
![]()
|
|
||||||||||||
![]() |
![]() INA157UAG4 |
![]() Texas Instruments |
![]() Differential Amplifiers High-Speed Prec Diff Amp |
![]() Data Sheet |
![]()
|
|
||||||||||||
![]() |
![]() INA157UA/2K5G4 |
![]() Texas Instruments |
![]() Differential Amplifiers Hi-Spd Prec Diff Amp |
![]() Data Sheet |
![]()
|
|
||||||||||||
(China (Mainland))









