Product Summary
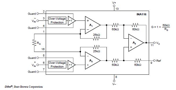
The INA116UA is a complete monolithic FET-input instrumentation amplifier with extremely low input bias current. Difet inputs and special guarding techniques yield input bias currents of 3fA at 25℃, and only 25fA at 85℃. Its 3-op amp topology allows gains to be set from 1 to 1000 by connecting a single external resistor. Guard pins adjacent to both input connections can be used to drive circuit board and input cable guards to maintain extremely low input bias current. The applications of the INA116UA include laboratory instrumentation, ph measurement, ion–specific probes and leakage current measurement.
Parametrics
INA116UA absolute maximum ratings: (1)Supply Voltage: ±18V; (2)Input Voltage Range: ±40V; (3)Output Short-Circuit (to ground): Continuous; (4)Operating Temperature: –40 to +125℃; (5)Storage Temperature: –40 to +125℃; (6)Junction Temperature: +150℃; (7)Lead Temperature (soldering, 10s): +300℃.
Features
INA116UA features: (1)low input bias current: 3fA typ; (2)buffered guard drive pins; (3)low offset voltage: 2mV max; (4)high common-mode rejection: 84dB (G = 10); (5)low quiescent current: 1mA; (6)input over-voltage protection: ±40V.
Diagrams

| Image | Part No | Mfg | Description | ![]() |
Pricing (USD) |
Quantity | ||||||||||||
|---|---|---|---|---|---|---|---|---|---|---|---|---|---|---|---|---|---|---|
![]() |
![]() INA116UA |
![]() Texas Instruments |
![]() Instrumentation Amplifiers Ultra Low Input Bias Current |
![]() Data Sheet |
![]()
|
|
||||||||||||
![]() |
![]() INA116UAG4 |
![]() Texas Instruments |
![]() Instrumentation Amplifiers Ultra Low Input Bias Current |
![]() Data Sheet |
![]()
|
|
||||||||||||
(China (Mainland))









