Product Summary
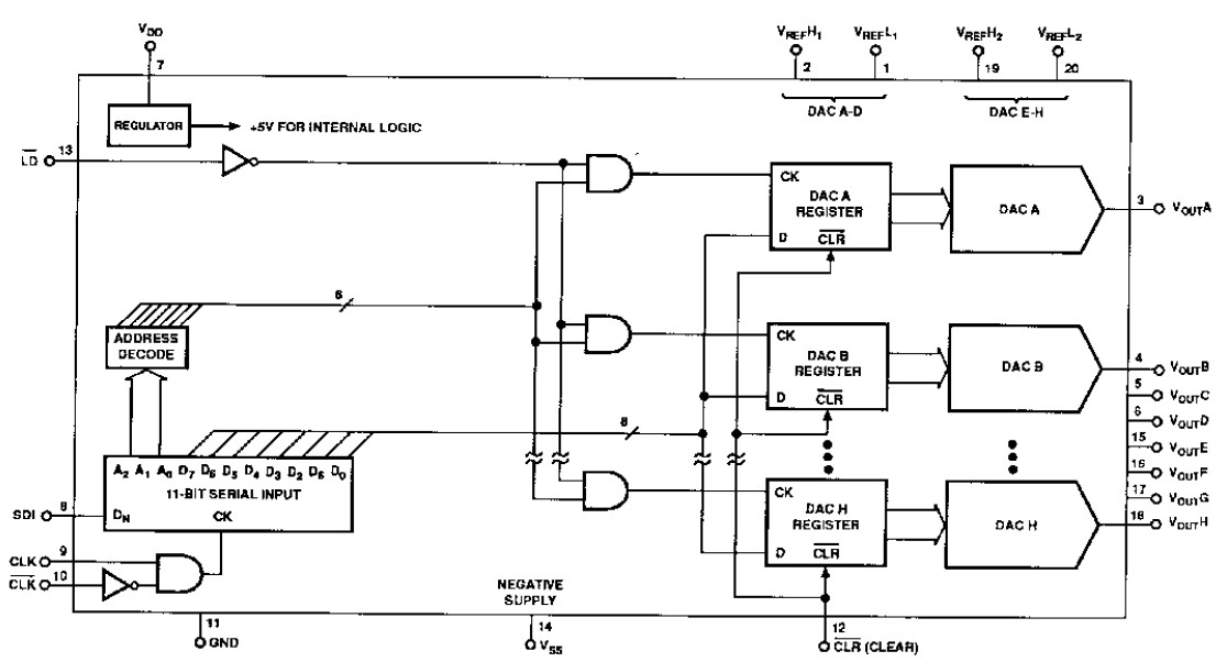
The DAC8832ICRGYT is an octal 8-bit CMOS D/A converter. It is designed to be general purpose digitally controlled voltage adjustment device. The output voltage range can be independently set for each set of four D/A converters. The digital-programmed output voltage of the DAC8832ICRGYT are ideal for opamp trimming, voltage-controlled amplifier gain setting and any general purpose trimming tasks. The applications of the DAC8832ICRGYT include: voltage set point control, digital offset & gain adjustment, microprocessor controlled calibration, general purpose trimming adjustments.
Parametrics
DAC8832ICRGYT absolute maximum ratings: (1)VDD to VSS: 0V, +20V; (2)VDD to GND: 0V, +20V; (3)VSS to GND: -20V, 0V; (4)Digital input voltage to GND: GND-0.3V, VDD+0.3V; (5)VREFH to GND: VREFL, VDD; (6)VREFL to GND: VSS, VREFH; (7)VOUT to GND: VREFL, VREFH; (8)Operating temperature range: -55℃ to +125℃; (9)Maximum junction temperature(Tj max): +150℃; (10)Storage temperature: -65℃ to +150℃; (11)Lead temperature(soldering, 10sec): +300℃; (12)Package power dissipation: (Tj max - TA)/θjA.
Features
DAC8832ICRGYT features: (1)±1/2 LSB total unadjusted error; (2)2μs setting time; (3)Serial data input; (4)±Full-scale output set by VREFH and VREFL; (5)Unipolar and bipolar operation; (6)TTL input compatible; (7)20-pin DIP or SOL package; (8)Low cost.
Diagrams

| Image | Part No | Mfg | Description | ![]() |
Pricing (USD) |
Quantity | ||||||||||||
|---|---|---|---|---|---|---|---|---|---|---|---|---|---|---|---|---|---|---|
![]() DAC8832ICRGYT |
![]() Texas Instruments |
![]() DAC (D/A Converters) 16B Ultra-Lo Pwr Vltg Output DAC |
![]() Data Sheet |
![]()
|
|
|||||||||||||
![]() DAC8832ICRGYTG4 |
![]() Texas Instruments |
![]() DAC (D/A Converters) 16B Ultra-Lo Pwr Vltg Output DAC |
![]() Data Sheet |
![]()
|
|
|||||||||||||
(China (Mainland))








