Product Summary
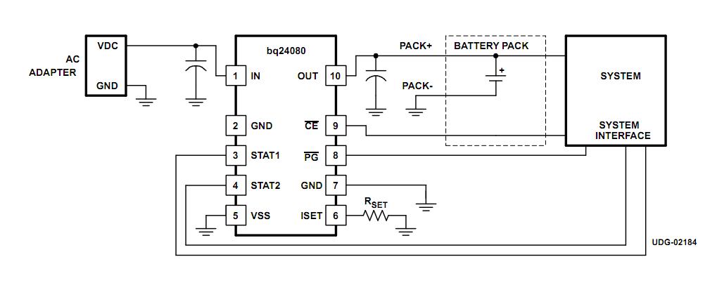
The BQ24060DRCT is a highly integrated and flexible Li-Ion linear charge device targeted at space-limited charger applications. It offers an integrated power FET and current sensor, high-accuracy current and voltage regulation, charge status, and charge termination, in a single monolithic device. An external resistor sets the magnitude of the charge current. The applications of the BQ24060DRCT include PDAs, MP3 Players, Digital Cameras, Internet Appliances and Smartphones.
Parametrics
BQ24060DRCT absolute maximum ratings: (1)VI, Input voltage: -0.3 to 7 V; Output sink/source current: 15 mA; Output current: 1.5 A; (2)TA, Operating free-air temperature range: -40 to 125℃; (3)TJ, Junction temperature range: -40 to 125℃; (4)Tstg, Storage temperature: – 65 to 150℃; (5)Lead temperature 1,6 mm (1/16 inch) from case for 10 seconds: 300℃.
Features
BQ24060DRCT features: (1)Small 3 mm × 3 mm MLP Package; (2)Integrated Power FET and Current Sensor for Up to 1-A Charge Applications From AC Adapter; (3)Precharge Conditioning With Safety Timer; (4)Charge and Power Good (AC Adapter Present With Fixed Safety) Status Output; (5)Automatic Sleep Mode for Low-Power Consumption; (6)Fixed 7-Hour Fast Charge Safety Timer; (7)Ideal for Low-Dropout Charger Designs for Single-Cell Li-Ion or Li-Pol Packs in Space-Limited Portable Applications.
Diagrams

| Image | Part No | Mfg | Description | ![]() |
Pricing (USD) |
Quantity | ||||||||||||
|---|---|---|---|---|---|---|---|---|---|---|---|---|---|---|---|---|---|---|
![]() |
![]() BQ24060DRCT |
![]() Texas Instruments |
![]() Battery Management Single Cell Li-Ion Charger |
![]() Data Sheet |
![]()
|
|
||||||||||||
![]() |
![]() BQ24060DRCTG4 |
![]() Texas Instruments |
![]() Battery Management Single Cell Li-Ion Charger |
![]() Data Sheet |
![]()
|
|
||||||||||||
(China (Mainland))










