Product Summary
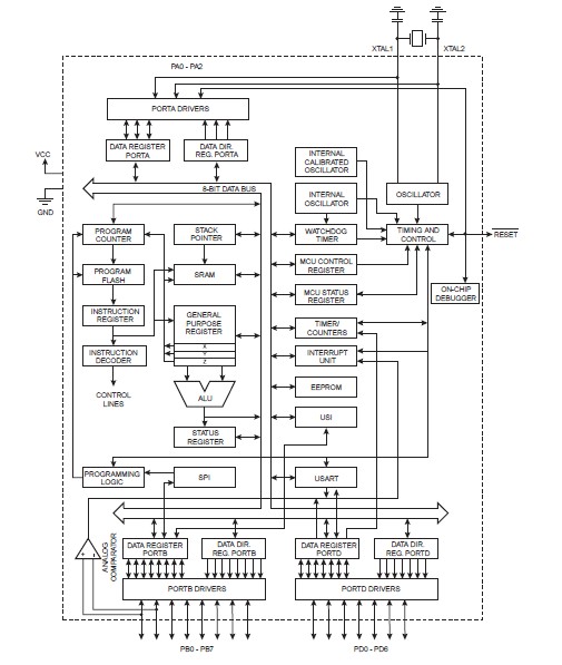
The ATTINY2313A-SU is a low-power CMOS 8-bit microcontroller based on the AVR enhanced RISC architecture. By executing powerful instructions in a single clock cycle, the ATTINY2313A-SU achieves throughputs approaching 1 MIPS per MHz allowing the system designer to optimize power consumption versus processing speed.
Parametrics
ATTINY2313A-SU absolute maximum ratings: (1)Operating Temperature: -55℃ to +125℃; (2)Storage Temperature: -65℃ to +150℃; (3)Voltage on any Pin except RESET with respect to Ground:-0.5V to VCC+0.5V; (4)Voltage on RESET with respect to Ground: -0.5V to +13.0V; (5)Maximum Operating Voltage: 6.0V; (6)DC Current per I/O Pin: 40.0 mA; (7)DC Current VCC and GND Pins: 200.0 mA.
Features
ATTINY2313A-SU features: (1)Utilizes the AVR RISC Architecture; (2)AVR High-performance and Low-power RISC Architecture; (3)Data and Non-volatile Program and Data Memories; (4)debugWIRE On-chip Debugging; (5)In-System Programmable via SPI Port; (6)External and Internal Interrupt Sources; (7)Low-power Idle, Power-down, and Standby Modes; (8)Enhanced Power-on Reset Circuit; (9)Programmable Brown-out Detection Circuit; (10)Internal Calibrated Oscillator.
Diagrams

| Image | Part No | Mfg | Description | ![]() |
Pricing (USD) |
Quantity | ||||||||||||
|---|---|---|---|---|---|---|---|---|---|---|---|---|---|---|---|---|---|---|
![]() |
![]() ATTINY2313A-SU |
![]() Atmel |
![]() 8-bit Microcontrollers (MCU) 2K FLASH 128B EE 128B SRAM 1 UART |
![]() Data Sheet |
![]()
|
|
||||||||||||
![]() |
![]() ATTINY2313A-SUR |
![]() Atmel |
![]() 8-bit Microcontrollers (MCU) AVR 2K FLSH 128B EE 128B SRAM 1UART20MHz |
![]() Data Sheet |
![]()
|
|
||||||||||||
(China (Mainland))










