Product Summary
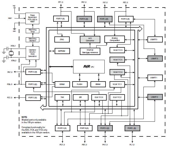
The ATMEGA2560-16AU is a low-power CMOS 8-bit microcontroller based on the AVR enhanced RISC architecture. By executing powerful instructions in a single clock cycle, the ATMEGA2560-16AU achieves throughputs approaching 1 MIPS per MHz allowing the system designer to optimize power consumption versus processing speed.
Parametrics
ATMEGA2560-16AU absolute maximum ratings: (1)Operating Temperature: -55℃ to +125℃; (2)Storage Temperature: -65℃ to +150℃; (3)Voltage on any Pin except RESET with respect to Ground: -0.5V to VCC+0.5V; (4)Voltage on RESET with respect to Ground: -0.5V to +13.0V; (5)Maximum Operating Voltage: 6.0V; (6)DC Current per I/O Pin: 40.0mA; (7)DC Current VCC and GND Pins: 200.0mA.
Features
ATMEGA2560-16AU features: (1)Two 8-bit Timer/Counters with Separate Prescaler and Compare Mode; (2)Four 16-bit Timer/Counter with Separate Prescaler, Compare- and Capture Mode; (3)Real Time Counter with Separate Oscillator; (4)Four 8-bit PWM Channels; (5)Six/Twelve PWM Channels with Programmable Resolution from 2 to 16 Bits(ATmega1281/2561, ATmega640/1280/2560); (6)Output Compare Modulator; (7)8/16-channel, 10-bit ADC (ATmega1281/2561, ATmega640/1280/2560); (8)Master/Slave SPI Serial Interface; (9)Byte Oriented 2-wire Serial Interface; (10)Programmable Watchdog Timer with Separate On-chip Oscillator; (11)On-chip Analog Comparator; (12)Interrupt and Wake-up on Pin Change.
Diagrams

| Image | Part No | Mfg | Description | ![]() |
Pricing (USD) |
Quantity | ||||||||||||
|---|---|---|---|---|---|---|---|---|---|---|---|---|---|---|---|---|---|---|
![]() |
![]() ATmega2560-16AU |
![]() Atmel |
![]() 8-bit Microcontrollers (MCU) 256kB Flash 4kB EEPROM 86 I/O Pins |
![]() Data Sheet |
![]()
|
|
||||||||||||
![]() |
![]() ATMEGA2560-16AUR |
![]() Atmel |
![]() 8-bit Microcontrollers (MCU) AVR 256K FLSH8K SRAM 4KB EE-16MHz 5V |
![]() Data Sheet |
![]()
|
|
||||||||||||
(China (Mainland))










