Product Summary
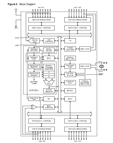
The ATMEGA16-16PU is a low-power CMOS 8-bit microcontroller based on the AVR enhanced RISC architecture. By executing powerful instructions in a single clock cycle, the ATMEGA16-16PU achieves throughputs approaching 1 MIPS per MHz allowing the system designer to optimize power consumption versus processing speed. The ATMEGA16-16PU is manufactured using Atmel’s high density nonvolatile memory technology. The On-chip ISP Flash allows the program memory to be reprogrammed in-system through an SPI serial interface, by a conventional nonvolatile memory programmer, or by an On-chip Boot program running on the AVR core.
Parametrics
ATMEGA16-16PU absolute maximum ratings: (1)Operating Temperature:-55℃ to +125℃; (2)Storage Temperature:-65℃ to +150℃; (3)Voltage on any Pin except RESET with respect to Ground:-0.5V to VCC+0.5V; (4)Voltage on RESET with respect to Ground: -0.5V to +13.0V; (5)Maximum Operating Voltage:6.0V; (6)DC Current per I/O Pin:40.0 mA; (7)DC Current VCC and GND Pins:200.0 mA and 400.0 mA TQFP/MLF.
Features
ATMEGA16-16PU features:(1)High-performance, Low-power AVR8-bit Microcontroller; (2)Advanced RISC Architecture:131 Powerful Instructions – Most Single-clock Cycle Execution;32 x 8 General Purpose Working Registers;Fully Static Operation; Up to 16 MIPS Throughput at 16 MHz;On-chip 2-cycle Multiplier; (3)Non-volatile Program and Data Memories: 16K Bytes of In-System Self-programmable Flash Endurance: 10,000 Write/Erase Cycles; Optional Boot Code Section with Independent Lock Bits In-System Programming by On-chip Boot Program True Read-While-Write Operation; 512 Bytes EEPROM Endurance: 100,000 Write/Erase Cycles;1K Bytes Internal SRAM;Up to 64K Bytes Optional External Memory Space;Programming Lock for Software Security; (4)JTAG (IEEE std. 1149.1 Compliant) Interface:Boundary-scan Capabilities According to the JTAG Standard;Extensive On-chip Debug Support;Programming of Flash, EEPROM, Fuses, and Lock Bits through the JTAG Interface; (5)Peripheral Features:Two 8-bit Timer/Counters with Separate Prescalers and Compare Modes;Two 16-bit Timer/Counters with Separate Prescalers, Compare Modes, and Capture Modes;Real Time Counter with Separate Oscillator;Six PWM Channels;Dual Programmable Serial USARTs;Master/Slave SPI Serial Interface; Programmable Watchdog Timer with Separate On-chip Oscillator;On-chip Analog Comparator; (6)Special Microcontroller Features:Power-on Reset and Programmable Brown-out Detection;Internal Calibrated RC Oscillator;External and Internal Interrupt Sources; Five Sleep Modes: Idle, Power-save, Power-down, Standby, and Extended Standby; (7)I/O and Packages:35 Programmable I/O Lines;40-pin PDIP, 44-lead TQFP, and 44-pad MLF; (8)Operating Voltages:1.8 - 5.5V for ATmega162V;2.7 - 5.5V for ATmega162; (9)Speed Grades:0 - 8 MHz for ATmega162V;0 - 16 MHz for ATmega162.
Diagrams

| Image | Part No | Mfg | Description | ![]() |
Pricing (USD) |
Quantity | ||||||||||||
|---|---|---|---|---|---|---|---|---|---|---|---|---|---|---|---|---|---|---|
![]() |
![]() ATMEGA16-16PU |
![]() Atmel |
![]() 8-bit Microcontrollers (MCU) 16kB Flash 0.5kB EEPROM 32 I/O Pins |
![]() Data Sheet |
![]()
|
|
||||||||||||
| Image | Part No | Mfg | Description | ![]() |
Pricing (USD) |
Quantity | ||||||||||||
![]() |
![]() ATMEG163POD |
![]() |
![]() IC AVR MCU ICE30 40PIN MEGAAVR |
![]() Data Sheet |
![]() Negotiable |
|
||||||||||||
![]() |
![]() ATmega103 |
![]() Other |
![]() |
![]() Data Sheet |
![]() Negotiable |
|
||||||||||||
![]() |
![]() ATMEGA103-6AC |
![]() Atmel |
![]() 8-bit Microcontrollers (MCU) TQFP-64 128K FLASH 5 |
![]() Data Sheet |
![]() Negotiable |
|
||||||||||||
![]() |
![]() ATMEGA103-6AI |
![]() |
![]() IC MCU 128K 6MHZ A/D IT 64TQFP |
![]() Data Sheet |
![]() Negotiable |
|
||||||||||||
![]() |
![]() ATMEGA103-6AU |
![]() Other |
![]() |
![]() Data Sheet |
![]() Negotiable |
|
||||||||||||
![]() |
![]() ATmega103L |
![]() Other |
![]() |
![]() Data Sheet |
![]() Negotiable |
|
||||||||||||
(China (Mainland))












