Product Summary
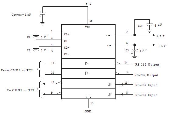
The TRS232DR is a dual driver/receiver that includes a capacitive voltage generator to supply TIA/RS-232-F voltage levels from a single 5-V supply. Each receiver converts TIA/RS-232-F inputs to 5-V TTL/CMOS levels. This receiver has a typical threshold of 1.3 V, a typical hysteresis of 0.5 V, and can accept ±30-V inputs. Each driver converts TTL/CMOS input levels into TIA/RS-232-F levels. The driver, receiver, and voltage-generator functions are available as cells in the Texas Instruments LinASIC library. The applications of the TRS232DR include TIA/RS-232-F, Battery-Powered Systems, Terminals, Modems, Computers.
Parametrics
TRS232DR absolute maximum ratings: (1)VCC, Input supply voltage range: -0.3 to 6V; (2)VS+, Positive-output supply voltage range: VCC -0.3 to 15V; (3)VS-, Negative-output supply voltage range: -0.3 to -15V; (4)VI, Input voltage range, Driver: -0.3 to VCC +0.3V; Receiver: ±30V; (5)VO, Output voltage range, T1OUT, T2OUT: VS- -0.3 to VS+ +0.3V; R1OUT, R2OUT: -0.3 to VCC + 0.3V; (6)Short-circuit duration, T1OUT, T2OUT: Unlimited; (7)θJA, Package thermal impedance, D package: 73℃/W; DW package: 57℃/W; N package: 67℃/W; NS package: 64℃/W; PW package: 108℃/W; (8)TJ, Operating virtual junction temperature: 150℃; (9)Tstg, Storage temperature range: -65 to 150℃.
Features
TRS232DR features: (1)Meets or Exceeds TIA/RS-232-F and ITU Recommendation V.28; (2)Operates From a Single 5-V Power Supply With 1.0-μF Charge-Pump Capacitors; (3)Operates up to 120 kbit/s; (4)Two Drivers and Two Receivers; (5)±30-V Input Levels; (6)Low Supply Current: 8 mA Typical; (7)ESD Protection Exceeds JESD22–2000-V Human-Body Model (HBM) (A114-A); (8)Upgrade With Improved ESD (15-kV HBM) and 0.1-μF Charge-Pump Capacitors Is Available With the TRS202.
Diagrams

| Image | Part No | Mfg | Description | ![]() |
Pricing (USD) |
Quantity | ||||||||||||
|---|---|---|---|---|---|---|---|---|---|---|---|---|---|---|---|---|---|---|
![]() |
![]() TRS232DR |
![]() Texas Instruments |
![]() RS-232 Interface IC Dual RS232 Drvr/Rcvr |
![]() Data Sheet |
![]()
|
|
||||||||||||
![]() |
![]() TRS232DRG4 |
![]() Texas Instruments |
![]() RS-232 Interface IC Dual RS232 Drvr/Rcvr |
![]() Data Sheet |
![]()
|
|
||||||||||||
(China (Mainland))









