Product Summary
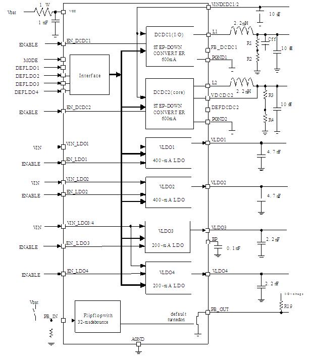
The TPS65052RSMT is an integrated Power Management IC for applications powered by one Li-Ion or Li-Polymer cell, which require multiple power rails. The TPS65052RSMT provides two efficient, 2.25-MHz step-down converters targeted at providing the core voltage and I/O voltage in a processor based system. Both step-down converters enter a lowpower mode at light load for maximum efficiency across the widest possible range of load currents. The applications of the TPS65052RSMT include Cell Phones, Smart-Phones, WLAN, PDAs, Pocket PCs, OMAP and Low-Power TMS320 DSP Supply, Samsung S3C24xx application processor supply, Portable Media Players.
Parametrics
TPS65052RSMT absolute maximum ratings: (1)VI, Input voltage range on all pins except AGND, PGND, and EN_LDO1 pins with respect to AGND: -0.3 V to 7 V; Input voltage range on EN_LDO1 pins with respect to AGND: -0.3 V to VCC +0.5V; (2)II, Current at VINDCDC1/2, L1, PGND1, L2, PGND21800 mA; Current at all other pins: 1000 mA; (3)Continuous total power dissipation: See the dissipation rating table; (4)TA, Operating free-air temperature: -40℃ to 85℃; (5)TJ, Maximum junction temperature: 125℃; (6)Tstg, Storage temperature range: -65℃ to 150℃.
Features
TPS65052RSMT features: (1)Up To 95% Efficiency; (2)Output Current for DC/DC Converters: 2 x 0.6 A; (3)Output Voltages for DC/DC Converters: Externally Adjustable; (4)VI Range for DC/DC Converters From 2.5 V to 6 V; (5)2.25-MHz Fixed Frequency Operation; (6)Power Save Mode at Light Load Current; (7)180° Out-of-Phase Operation; (8)Output Voltage Accuracy in PWM mode ±1%; (9)Low Ripple PFM Mode; (10)Total Typical 32-μA Quiescent Current for Both DC/DC Converters; (11)100% Duty Cycle for Lowest Dropout; (12)Two General-Purpose 400-mA, High PSRR LDOs; (13)Two General-Purpose 200-mA, High PSRR LDOs; (14)VI range for LDOs from 1.5 V to 6.5 V; (15)Digital Voltage Selection for the LDOs; (16)Available in a 4 mm x 4 mm 32-Pin QFN Package.
Diagrams

| Image | Part No | Mfg | Description | ![]() |
Pricing (USD) |
Quantity | ||||||||||||
|---|---|---|---|---|---|---|---|---|---|---|---|---|---|---|---|---|---|---|
![]() |
![]() TPS65052RSMT |
![]() Texas Instruments |
![]() PMIC Solutions 6Ch Pwr Mgmt IC |
![]() Data Sheet |
![]()
|
|
||||||||||||
![]() |
![]() TPS65052RSMTG4 |
![]() Texas Instruments |
![]() PMIC Solutions 6Ch Pwr Mgmt IC |
![]() Data Sheet |
![]()
|
|
||||||||||||
(China (Mainland))









