Product Summary
The TPS65000RTET is a single chip Power Management IC for portable applications. The TPS65000RTET combines a single step-down converter with two low dropout regulators. The step-down converter enters a low power mode at light load for maximum efficiency across the widest possible range of load currents. For low noise applications, the devices can be forced into fixed frequency PWM via a pin. The applications of the TPS65000RTET include Point of Load, Embedded Processor Power, Cell Phones, Smart-Phones, PDAs, Pocket PCs, Portable Media Players.
Parametrics
TPS65000RTET absolute maximum ratings: (1)Input voltage range, On all pins except AGND, PGND, EN_DCDC, VLDO1, VLDO2, FB_LDO1, FB_LDO2, FB_DCDC pins with respect to AGND: –0.3 to 7V; On EN_DCDC with respect to AGND: -0.3VIN + 0.3, ≤ 7V; (2)Output voltage range, On VLDO1, VLDO2, FB_LDO1, FB_LDO2, FB_DCDC: -0.3 to 3.6V; (3)Current, VINDCDC, SW, PGND: 1800mA; VINLDO1/2, VLDO1/2, AGND: 800mA; at all other pins: 1mA; (4)Continuous total power dissipation: See dissipation rating table; (5)Operating free-air temperature, TA: -40 to 85℃; (6)Maximum junction temperature, TJ: 125℃; (7)Storage temperature, Tstg: -65 to 150℃.
Features
TPS65000RTET features: (1)Step-Down Converters: VIN Range From 2.3V to 6V; Spread Spectrum Clock (SSC) Generation for Reduced EMI; 2.25MHz Fixed Frequency Operation; 600mA or 1A (TPS650061) Output Current; (2)LDOs: VIN Range From 1.6V to 6V; Adjustable Output Voltage; Up to 300mA Output Current; Separate Power Inputs and Enables; (3)Supply Voltage Supervisor (TPS65001), Manual Reset Input for Push Button; Adjustable Reset Time; Adjustable Reset Voltage; (4)3mm × 3mm 16-Pin QFN (TPS65000); (5)3mm x×3mm 20-Pin QFN (TPS65001).
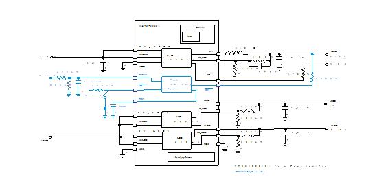
Diagrams

| Image | Part No | Mfg | Description | ![]() |
Pricing (USD) |
Quantity | ||||||||||||
|---|---|---|---|---|---|---|---|---|---|---|---|---|---|---|---|---|---|---|
![]() |
![]() TPS65000RTET |
![]() Texas Instruments |
![]() PMIC Solutions 2.25MHz Step-Down Converter |
![]() Data Sheet |
![]()
|
|
||||||||||||
| Image | Part No | Mfg | Description | ![]() |
Pricing (USD) |
Quantity | ||||||||||||
![]() |
![]() TPS60100 |
![]() Other |
![]() |
![]() Data Sheet |
![]() Negotiable |
|
||||||||||||
![]() |
![]() TPS60100EVM-131 |
![]() Texas Instruments |
![]() Power Management IC Development Tools 2 batt cells |
![]() Data Sheet |
![]()
|
|
||||||||||||
![]() |
![]() TPS60100PWP |
![]() Texas Instruments |
![]() Charge Pumps Reg 3.3V Lo-Ns Chrg Pump DC-DC Cnvtr |
![]() Data Sheet |
![]()
|
|
||||||||||||
![]() |
![]() TPS60100PWPG4 |
![]() Texas Instruments |
![]() Charge Pumps Reg 3.3V Lo-Ns Chrg Pump DC-DC Cnvtr |
![]() Data Sheet |
![]()
|
|
||||||||||||
![]() |
![]() TPS60100PWPR |
![]() Texas Instruments |
![]() Charge Pumps Reg 3.3V Lo-Ns Chrg Pump DC-DC Cnvtr |
![]() Data Sheet |
![]()
|
|
||||||||||||
![]() |
![]() TPS60100PWPRG4 |
![]() Texas Instruments |
![]() Charge Pumps Reg 3.3V Lo-Ns Chrg Pump DC-DC Cnvtr |
![]() Data Sheet |
![]()
|
|
||||||||||||
(China (Mainland))










