Product Summary
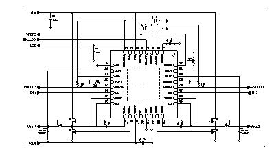
The TPS51427RHBT is a dual synchronous step-down controller designed for notebook and mobile communications applications. This device is part of a low-cost suite of notebook power bus regulators that enables system designs with low external component Output Ripple with Minimal Jittercounts. The TPS51427RHBT includes two pulse-width-modulation (PWM) controllers, SMPS1and SMPS2. The applications of the TPS51427RHBT include Notebook I/O and System Bus Rails, Graphics Application, PDAs and Mobile Communication Devices.
Parametrics
TPS51427RHBT absolute maximum ratings: (1)5V voltage range, V5DRV, V5FILT: -0.3 to 7V; (2)Input voltage range(2), VIN, ENLDO: -0.3 to 30V; VBST1, VBST2: -0.3 to 37V; VBST1, VBST2 (w.r.t. LLx): -0.3 to 7V; EN1, EN2, VOUT1, VOUT2, VFB1, REFIN2, TRIP1, TRIP2, SKIPSEL: -0.3 to 7V; TONSEL, VSW, LDOREFINTRIP1, TRIP2: -0.3 to (V5FILT + 0.3)V; ; (3)Output voltage range, DRVH1, DRVH2: -2 to 37V; DRVH1, DRVH2 (w.r.t. LLx): -0.3 to 7V; LL1, LL2–2 to 30V; DRVL1, DRVL2, VREF2, PGOOD1, PGOOD2, LDO, VREF3: -0.3 to 7V; PGND: -0.3 to 0.3V; (4)Tstg Storage temperature range: -55 to +150℃; (5)TJ, Junction temperature range: +150℃.
Features
TPS51427RHBT features: (1)Fixed-Frequency Emulated On-Time Control; Frequency Selectable from Three Options; (2)D-CAP Mode Enables Fast Transient Response Less than 100 ns; (3)Advanced Ramp Compensation Allows Low Output Ripple with Minimal Jitter; (4)Selectable PWM-Only/OOA/Auto-Skip Modes; (5)Wide Input Voltage Range: 5.5 V to 28 V; (6)Dual Fixed or Adjustable SMPS; (7)Fixed 3.3-V/5-V, or Adjustable Output 0.7-V to 4.5-V LDO; Capable of Sourcing 100 mA; (8)Fixed 3.3-VREF Output Capable of Sourcing 10mA; (9)Temperature Compensated Low-Side RDS Current Sensing.
Diagrams

| Image | Part No | Mfg | Description | ![]() |
Pricing (USD) |
Quantity | ||||||||||||
|---|---|---|---|---|---|---|---|---|---|---|---|---|---|---|---|---|---|---|
![]() |
![]() TPS51427RHBT |
![]() Texas Instruments |
![]() DC/DC Switching Controllers Dual D-Cap Synch Step Down Cntrlr |
![]() Data Sheet |
![]()
|
|
||||||||||||
![]() |
![]() TPS51427RHBTG4 |
![]() Texas Instruments |
![]() DC/DC Switching Controllers Dual D-Cap Sync Step Down Cntrlr |
![]() Data Sheet |
![]()
|
|
||||||||||||
(China (Mainland))









