Product Summary
The TPS40077PWPR is a high-efficiency, mid range-input, synchronous buck controller, offering design flexibility for a variety of user-programmable functions, including soft start, UVLO, operating Protection frequency, voltage feed-forward, and high-side, FET-sensed, short-circuit protection.
Parametrics
TPS40077PWPR absolute maximum ratings: (1)VVDD Input voltage range VDD, ILIM: 30V; (2)VVDD Input voltage range COMP, FB, KFF, PGD, LVBP: -0.3 to 6V; (3)VVDD Input voltage range SW: -0.3 to 40V; (4)IOUT Output current source LDRV, HDRV: 1.5; (5)IOUT Output current sink IOUT LDRV, HDRV: 2 A; (6)IOUT Output current sink KFF: 10A; (7)TJ Operating junction temperature range: -40 to 125℃; (8)Tstg Storage temperature: -55 to 150℃.
Features
TPS40077PWPR features: (1)Operation Over 4.5-V to 28-V Input Range; (2)Programmable, Fixed-Frequency, up to 1-MHz, Voltage-Mode Controller; (3)<1% Internal 700-mV Reference; (4)Internal Gate Drive Outputs for High-Side and Synchronous N-Channel MOSFETs; (5)16-Pin PowerPADTM Package; (6)Thermal Shutdown Protection; (7)Pre-Bias Compatible; (8)Power-Stage Shutdown Capability.
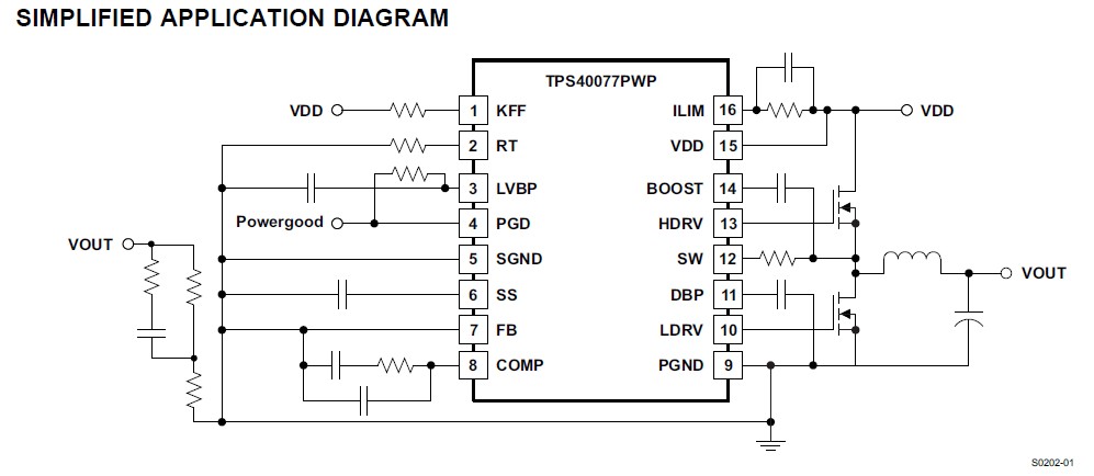
Diagrams

| Image | Part No | Mfg | Description | ![]() |
Pricing (USD) |
Quantity | ||||||||||
|---|---|---|---|---|---|---|---|---|---|---|---|---|---|---|---|---|
![]() |
![]() TPS40077PWPR |
![]() Texas Instruments |
![]() DC/DC Switching Controllers Synchronous Buck Controller |
![]() Data Sheet |
![]()
|
|
||||||||||
![]() |
![]() TPS40077PWPRG4 |
![]() Texas Instruments |
![]() DC/DC Switching Controllers Hi Eff Mid-Range Inp Synch Buck Cntrlr |
![]() Data Sheet |
![]()
|
|
||||||||||
(China (Mainland))









