Product Summary
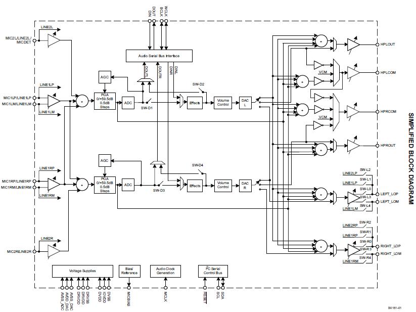
The TLV320AIC3104IRHBR is a low-power stereo audio codec with stereo headphone amplifier, as well as multiple inputs and outputs that are programmable in single-ended or fully differential configurations. Extensive register-based power control is included, enabling stereo 48-kHz DAC playback as low as 14 mW from a 3.3-V analog supply, making it ideal for portable battery-powered audio and telephony applications. The applications of the TLV320AIC3104IRHBR include Digital Cameras, Smart Cellular Phones, PDAs, Portable Computing, Communication, Entertainment Applications.
Parametrics
TLV320AIC3104IRHBR absolute maximum ratings: (1)AVDD to AVSS, DRVDD to DRVSS: -0.3 to 3.9 V; (2)AVDD to DRVSS: -0.3 to 3.9 V; (3)IOVDD to DVSS: -0.3 to 3.9 V; (4)DVDD to DVSS: -0.3 to 2.5 V; (5)AVDD to DRVDD: -0.1 to 0.1 V; (6)Digital input voltage to DVSS: -0.3 to IOVDD + 0.3 V; (7)Analog input voltage to AVSS: -0.3 to AVDD + 0.3 V; (8)Operating temperature range: -40 to 85℃; (9)Storage temperature range: -65 to 105℃; (10)TJ, Max Junction temperature: 105℃; (11)Power dissipation: (TJ Max -TA)/RθJA W; (12)RθJA, Thermal impedance: 44℃/W.
Features
TLV320AIC3104IRHBR features: (1)Stereo Audio DAC, 102-dBA Signal-to-Noise Ratio; 16/20/24/32-Bit Data; Supports Sample Rates From 8 kHz to 96kHz; 3D/Bass/Treble/EQ/De-Emphasis Effects; Flexible Power Saving Modes and Performance are Available; (2)Stereo Audio ADC, 92-dBA Signal-to-Noise Ratio; Supports Sample Rates From 8 kHz to 96kHz; Digital Signal Processing and Noise Filtering Available During Record; (3)Six Audio Input Pins, One Stereo Pair of Single-Ended Inputs; One Stereo Pair of Fully Differential Inputs; (4)Six Audio Output Drivers, Stereo Fully Differential or Single-Ended Headphone Drivers; Fully Differential Stereo Line Outputs; (5)Fully Differential Stereo Line Outputs With 3.3-V Analog Supply; (6)Ultralow-Power Mode with Passive Analog Bypass; (7)Programmable Input/Output Analog Gains; (8)Automatic Gain Control (AGC) for Record; (9)Programmable Microphone Bias Level; (10)Programmable PLL for Flexible Clock Generation; (11)I2C Control Bus; (12)Audio Serial Data Bus Supports I A 2S,; (13)Left/Right-Justified, DSP, and TDM Modes; (14)Extensive Modular Power Control; (15)Power Supplies: Analog: 2.7 V–3.6 V; Digital Core: 1.525 V–1.95 V; Digital I/O: 1.1 V–3.6 V; (16)Package: 5-mm × 5-mm 32-Pin QFN.
Diagrams

| Image | Part No | Mfg | Description | ![]() |
Pricing (USD) |
Quantity | ||||||||||||||
|---|---|---|---|---|---|---|---|---|---|---|---|---|---|---|---|---|---|---|---|---|
![]() |
![]() TLV320AIC3104IRHBR |
![]() Texas Instruments |
![]() Audio CODECs Lo-Pwr Stereo CODEC |
![]() Data Sheet |
![]()
|
|
||||||||||||||
| Image | Part No | Mfg | Description | ![]() |
Pricing (USD) |
Quantity | ||||||||||||||
![]() |
![]() TLV3011 |
![]() Other |
![]() |
![]() Data Sheet |
![]() Negotiable |
|
||||||||||||||
![]() |
![]() TLV3011AIDBVR |
![]() Texas Instruments |
![]() Comparator ICs Low Power Open Drain Output |
![]() Data Sheet |
![]()
|
|
||||||||||||||
![]() |
![]() TLV3011AIDBVRG4 |
![]() Texas Instruments |
![]() Comparator ICs Lo Pwr Open Drain Output Comparator |
![]() Data Sheet |
![]()
|
|
||||||||||||||
![]() |
![]() TLV3011AIDBVT |
![]() Texas Instruments |
![]() Comparator ICs Low Power Open Drain Output |
![]() Data Sheet |
![]()
|
|
||||||||||||||
![]() |
![]() TLV3011AIDBVTG4 |
![]() Texas Instruments |
![]() Comparator ICs Low Power Open Drain Output |
![]() Data Sheet |
![]()
|
|
||||||||||||||
![]() |
![]() TLV3011AIDCKR |
![]() Texas Instruments |
![]() Comparator ICs Low Power Open Drain Output |
![]() Data Sheet |
![]()
|
|
||||||||||||||
(China (Mainland))










