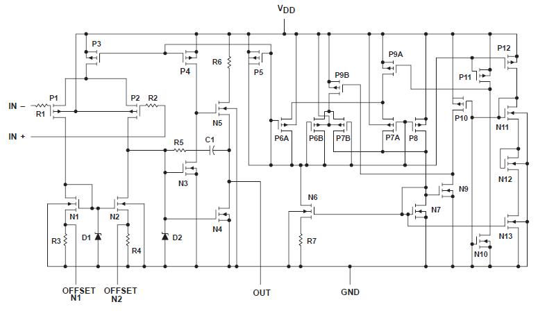
Product Summary
The TLC27L1ID is an operational amplifier combines a wide range of input offset-voltage grades with low offset-voltage drift and high input impedance. In addition, the TLC27L1ID is a low-bias version of the TLC271 programmable amplifier. The device uses the Texas Instruments silicon-gate LinCMOSE technology, which provides offset-voltage stability far exceeding the stability available with conventional metal-gate processes. Three offset-voltage grades are available (C-suffix and I-suffix types), ranging from the low-cost TLC27L1ID (10mV) to the TLC27L1B (2 mV) low-offset version.
Parametrics
TLC27L1ID absolute maximum ratings: (1)Supply voltage, VDD (see Note 1): 8 V; (2)Differential input voltage, VID (see Note 2): ±VDD; (3)Input voltage range, VI (any input): -0.3 V to VDD; (4)Input current, II: ±5 mA; (5)Output current, IO: ±30 mA; (6)Duration of short-circuit current at (or below) 25℃ (see Note 3): Unlimited; (7)Continuous total power dissipation: See Dissipation Rating Table; (8)Operating free-air temperature, TA: C suffix: 0℃ to 70℃; (9)I suffix: -40℃ to 85℃; (10)M suffix: -55 to 125℃; (11)Storage temperature range, Tstg: -65℃ to 150℃; (12)Case temperature for 60 seconds, TC: FK package: 260℃; (13)Lead temperature 1,6 mm (1/16 inch) from case for 10 seconds: D or P package: 260℃.
Features
TLC27L1ID features: (1)Input Offset Voltage Drift: Typically 0.1 mV/Month, Including the First 30 Days; (2)Wide Range of Supply Voltages Over Specified Temperature Range:; (3)0℃ to 70℃: 3 V to 16 V; -40℃ to 85℃: 4 V to 16 V; -55℃ to 125℃: 5 V to 16 V; (4)Single-Supply Operation; (5)Common-Mode Input Voltage Range Extends Below the Negative Rail (C-Suffix and I-Suffix Types); (6)Low Noise: 68 nV//Hz Typically at f = 1 kHz; (7)Output Voltage Range includes Negative Rail; (8)High Input Impedance: 1012 W Typ; (9)ESD-Protection Circuitry; (10)Small-Outline Package Option Also Available in Tape and Reel; (11)Designed-In Latch-Up Immunity.
Diagrams

| Image | Part No | Mfg | Description | ![]() |
Pricing (USD) |
Quantity | ||||||||||||
|---|---|---|---|---|---|---|---|---|---|---|---|---|---|---|---|---|---|---|
![]() |
![]() TLC27L1ID |
![]() Texas Instruments |
![]() Operational Amplifiers - Op Amps Low-Power |
![]() Data Sheet |
![]()
|
|
||||||||||||
![]() |
![]() TLC27L1IDG4 |
![]() Texas Instruments |
![]() Operational Amplifiers - Op Amps Low-Power |
![]() Data Sheet |
![]()
|
|
||||||||||||
![]() |
![]() TLC27L1IDRG4 |
![]() Texas Instruments |
![]() Operational Amplifiers - Op Amps LinCMOS Lo-Power Op Amp |
![]() Data Sheet |
![]()
|
|
||||||||||||
![]() |
![]() TLC27L1IDR |
![]() Texas Instruments |
![]() Operational Amplifiers - Op Amps LinCMOS Lo-Power Op Amp |
![]() Data Sheet |
![]()
|
|
||||||||||||
(China (Mainland))









