Product Summary
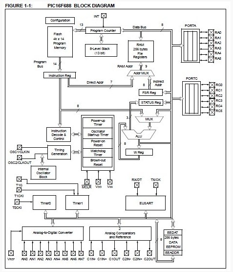
The PIC16F688-I/SL is a CMOS Microcontroller. It is a 14-Pin Flash-Based, 8-Bit CMOS Microcontroller with nanoWatt Technology. It is available in 14-pin PDIP, SOIC, TSSOP and QFN packages.
Parametrics
PIC16F688-I/SL absolute maximum ratings: (1)Ambient temperature under bias: -40℃ to +125℃; (2)Storage temperature: -65℃ to +150℃; (3)Voltage on VDD with respect to VSS: -0.3V to +6.5V; (4)Voltage on MCLR with respect to Vss: -0.3V to +13.5V; (5)Voltage on all other pins with respect to VSS: -0.3V to (VDD + 0.3V); (6)Total power dissipation: 800 mW; (7)Maximum current out of VSS pin: 95 mA; (8)Maximum current into VDD pin: 95 mA; (9)Input clamp current, IIK (VI < 0 or VI > VDD): ± 20 mA; (10)Output clamp current, IOK (Vo < 0 or Vo >VDD): ± 20 mA; (11)Maximum output current sunk by any I/O pin: 25 mA; (12)Maximum output current sourced by any I/O pin: 25 mA; (13)Maximum current sunk by PORTA, PORTB and PORTE (combined): 90 mA; (14)Maximum current sourced by PORTA, PORTB and PORTE (combined): 90 mA.
Features
PIC16F688-I/SL features: (1)Power-Saving Sleep mode; (2)Wide operating voltage range (2.0V-5.5V); (3)Industrial and Extended Temperature range; (4)Power-on Reset (POR); (5)Power-up Timer (PWRT) and Oscillator Start-up; (6)Timer (OST); (7)Brown-out Reset (BOR) with software control; (8)option; (9)Standby Current: 50 nA @ 2.0V, typical; (10)Operating Current: 11μA @ 32 kHz, 2.0V, typical; 220μA @ 4 MHz, 2.0V, typical; (11)Watchdog Timer Current: 1μA @ 2.0V, typical; (12)12 I/O pins with individual direction control.
Diagrams

| Image | Part No | Mfg | Description | ![]() |
Pricing (USD) |
Quantity | ||||||||||||
|---|---|---|---|---|---|---|---|---|---|---|---|---|---|---|---|---|---|---|
![]() |
![]() PIC16F688-I/SL |
![]() Microchip Technology |
![]() 8-bit Microcontrollers (MCU) 7KB 256 RAM 12 I/O |
![]() Data Sheet |
![]()
|
|
||||||||||||
| Image | Part No | Mfg | Description | ![]() |
Pricing (USD) |
Quantity | ||||||||||||
![]() |
![]() PIC1018SCL |
![]() Other |
![]() |
![]() Data Sheet |
![]() Negotiable |
|
||||||||||||
![]() |
![]() PIC10F200 |
![]() Other |
![]() |
![]() Data Sheet |
![]() Negotiable |
|
||||||||||||
![]() |
![]() PIC10F200-E/MC |
![]() Microchip Technology |
![]() 8-bit Microcontrollers (MCU) 384B Flash16B RAM 4 I/O |
![]() Data Sheet |
![]()
|
|
||||||||||||
![]() |
![]() PIC10F200-E/OT |
![]() Other |
![]() |
![]() Data Sheet |
![]() Negotiable |
|
||||||||||||
![]() |
![]() PIC10F200-E/P |
![]() Microchip Technology |
![]() 8-bit Microcontrollers (MCU) U 579-PIC10F200-I/P |
![]() Data Sheet |
![]() Negotiable |
|
||||||||||||
![]() |
![]() PIC10F200-I/MC |
![]() Microchip Technology |
![]() 8-bit Microcontrollers (MCU) 0.375KB Fl 16B RAM |
![]() Data Sheet |
![]()
|
|
||||||||||||
(China (Mainland))










