Product Summary
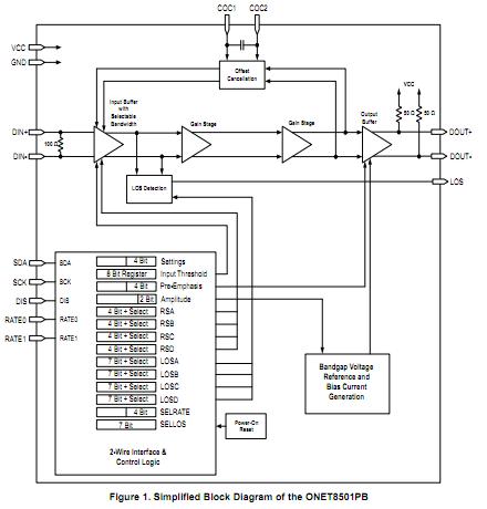
The ONET8501PBRGTT is a high-speed, 3.3-V limiting amplifier for multiple fiber optic and copper cable applications with data rates from 2 Gbps up to 11.3 Gbps. The device provides a two-wire serial interface which allows digital control of the bandwidth, output amplitude, output pre-emphasis, input threshold voltage (slice level) and the loss of signal assert level. Predetermined settings for bandwidth and LOS assert levels can also be selected with external rate selection pins. The applications of the ONET8501PBRGTT are (1)10-Gigabit Ethernet Optical Receivers; (2)2×/4×/8× and 10× Fiber Channel Optical Receivers; (3)SONET OC-192/SDH-64 Optical Receivers; (4)SFP+ and XFP Transceiver Modules; (5)XENPAK, XPAK, X2 and 300-pin MSA Transponder Modules; (6)Cable Driver and Receiver.
Parametrics
ONET8501PBRGTT absolute maximum ratings: (1)VCC Supply voltage: – 0.3 to 4.0 V; (2)V DIN+ , V DIN – Voltage at DIN+, DIN –: 0.5 to 4.:0 V; (3)V DIN,DIFF Differential voltage between DIN+ and DIN ± 2.5 V; (4)I DIN+ , I DIN – , I DOUT+ , I DOUT – Continuous current at inputs and outputs: 25 mA; (5)ESD ESD rating at all pins: 2 kV (HBM); (6)T J,max Maximum junction temperature: 125℃; (7)T A Characterized free-air operating temperature range: – 40 to 100℃; (8)T STG Storage temperature range: – 65 to 150℃.
Features
ONET8501PBRGTT features: (1)Up to 11.3-Gbps Operation; (2)2-Wire Digital Interface; (3)Digitally Selectable Input Bandwidth; (4)Adjustable LOS Threshold; (5)Digitally Selectable Output Voltage; (6)Digitally Selectable Output Pre-Emphasis; (7)Adjustable Input Threshold Voltage; (8)Low Power Consumption; (9)Input Offset Cancellation; (10)CML Data Outputs with On-Chip 50Ω Back-Termination to VCC; (11)Single +3.3-V Supply.
Diagrams

| Image | Part No | Mfg | Description | ![]() |
Pricing (USD) |
Quantity | ||||||||||||
|---|---|---|---|---|---|---|---|---|---|---|---|---|---|---|---|---|---|---|
![]() |
![]() ONET8501PBRGTT |
![]() Texas Instruments |
![]() Limiting Amplifiers 11.3 Gbps Rate-Sel Limiting Amp |
![]() Data Sheet |
![]()
|
|
||||||||||||
![]() |
![]() ONET8501PBRGTTG4 |
![]() Texas Instruments |
![]() Limiting Amplifiers 11.3 Gbps Rate-Sel Limiting Amp |
![]() Data Sheet |
![]()
|
|
||||||||||||
(China (Mainland))









